The Fixed-bias AC Power Supply

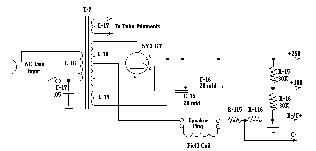
Some power supply designs provide for a fixed-bias voltage for the output audio stage. Also, the filter choke, or speaker field coil may be in the negative circuit of the B supply. The filtering action of the choke is the same whether it is in the positive or negative side of the B supply.
In the fixed-bias supply, the center tap returns to ground through the filter choke and a resistor voltage divider. This places the center-tap of the high-voltage winding at a negative potential with respect to the ground point at the junction of resistors R-16 and R-116. The values of R-115 and R-116 are chosen to give the required bias voltage. Sometimes a multi-tapped resistor may be used to give two different bias voltages, one for the audio output stage and another for the RF stages.
Notice that with the filter choke in the negative lead of the B supply, the positive leads of filter capacitors C-15 and C-16 are common, while the negative leads are connected across the filter choke, and in this case, neither are connected to ground. A common mistake often made when replacing the filter capacitors is to assume that the negative leads always go to ground. If the capacitors where connected to ground in this supply, there would be a high level of hum. So when replacing filter capacitors, pay particular attention to the circuit diagram and how they are wired into the circuit.


Press the Back on your browser to return to the previous page