Troubleshooting The Audio Output Stage


Function:

The output or sometimes called the power-amplifier stage follows the detector, and is the last stage in the signal path of the receiver. The signal level from the preceding detector stage would be about sufficient to operate a pair of headphones, so this signal must be amplified to a sufficient level to drive a loud speaker. The audio output stage accomplishes this. To get an idea of the signal levels handled by the output stage, a 6V6-G tube will give an output of 4.25 watts maximum with an input signal of 12.5 volts peak on the grid. A smaller input signal gives a smaller output; 12.5 volts is the maximum the tube will handle without producing undesirable distortion. Other output tubes will have different ratings.

Theory of Operation:

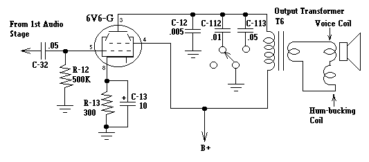
Refer to the schematic diagram below.

Grid Load Resistor - The input signal if fed from the plate circuit of the preceding detector stage through coupling capacitor C-32 to the grid of the 6V6 tube. The signal is impressed across grid load resistor R-12. This is usually a high value resistor in the range of 500,000 ohms or so. A lower value will result in lower gain of the stage, but better frequency response, while a higher value gives slightly higher gain at the sacrifice of tone quality.

Self-bias - The tube must have the correct bias voltage on the grid in order to give the best amplification and sound quality. To maintain the proper bias, the grid must be made negative with respect to the cathode. Resistor R-13 in the cathode circuit accomplishes this. To see how this is accomplished, assume no signal input and examine the schematic diagram below. Tracing the current flow in the tube, the current drawn by both the plate and screen circuits must flow through cathode resistor R-13. A voltage drop is developed across this resistor, and because of the direction of the current flow, the ground end is negative and the cathode end is positive. Since the grid is returned to ground through grid load resistor R-12, the grid will be negative with respective to the cathode by the amount of voltage that is developed across R-13.
This system of obtaining bias voltage is know as self-biasing since the tube's own screen and plate currents cause the voltage drop, which is used to bias the tube. The value of the cathode resistor will vary depending upon the type of output tube used, and can range in value of 150 to 600 or so ohms.

Self-bias By-pass Capacitor C-13 - When a signal is applied to the grid of the tube, this cause the current through the tube to vary in step with the signal. This changing current will also cause the voltage developed across the cathode resistor R-13 to vary, causing the bias voltage on the grid to vary also. Since we want this bias voltage to remain constant, some way must be provided to by-pass the signal around R-13. The by-pass capacitor accomplishes this. To be effective the value of the capacitor should be such that is has a very low impedance to the audio frequencies. This capacitor is usually a low-voltage electrolytic type in the range of 5 to 35 mfd. This by-passing or filtering action then maintains a constant bias voltage on the grid.

Fixed Bias - In a stage that uses fixed bias, the cathode is grounded and the negative bias voltage is applied directly to the grid through the grid load resistor. This bias voltage is normally develop in the receive power supply. (See diagram).

Output Capacitor C-12 - Pentode and beam power tubes introduce a considerable amount of harmonics, which are most notable in the high AF range. Capacitor C-12 across the output by-passes some of these higher frequencies to ground preventing them from reaching the output transformer. The effect is great at the high frequencies as the impedance of the capacitor decreases as the frequency increases. Therefore the harmonic content will be reduced by the action of this capacitor.
An average value of this capacitor is .005 mfd, but may vary from .001 to .02 mfd. The larger the value of this capacitor, the more of the higher frequencies are by-passed, making the response contain more bass frequencies.
Some receiver designs provide for a tone control. There are many different tone control designs. One type often used is a switch that switches in one or more values of capacitors, as shown in the schematic below. The added capacitance by-passes more of the high-frequency component producing a more bass response. Other designs may use a potentiometer in series with a capacitor to provide a variable tone control. (See diagram)

Output Transformer T6 - The function of the output transformer is to couple the output circuit of the tube to the speaker. The high output impedance of the tube must be matched to the low impedance of the speaker to get an efficient transfer of the audio signal. The average impedance of the 6V6 tube is around 5,000 ohms, while the average speaker has an impedance of 4 to 8 ohms. This impedance match is accomplished by the turns ratio of primary to secondary of the output transformer.
The output transformer may be either mounted on the speaker itself, or on the receiver chassis. If the output transformer becomes defective and must be replaced and an exact replacement is not available, a universal type may be used. The universal type has multiple taps on the primary and secondary windings so it may be matched to the circuit. Also see "Determining Turns Ratio and Impedance Ratio of Output Transformers" on the " Tips, Hints, and Kinks" page.

Hum-bucking Coil - Because the field coil is used as the filter choke in the power supply, it is subject to the AC ripple of the power supply. This can cause hum in the loud speaker. The hum-bucking coil is wound on the speaker pole piece next to the field coil, and is connected in series with the speaker voice coil. The hum-bucking coil is connected so as to oppose the AC ripple in the field coil and cancel the hum component. If the leads to the hum-bucking coil should accidentally be reversed, the hum level will be notably increased. (see drawing)

Output Tube 6V6 - The 6V6 used shown in the circuit here is a beam power output tube. A beam power tube is a tetrode or pentode in which directed electron beams are used to increase the power handling capability of the tube. These tubes employ beam-confining electrodes which are metal plates located either side of the grid elements. These beam plates are tied to the cathode and prevent stray electrons from returning to the screen grid by guiding these stray electrons on to the plate.
Output power tubes are characterized by high power sensitivity; that is, a low signal input voltage gives a high power output. As stated earlier, the 6V6 gives a 4.25 watt output for a 12.5 volt input signal, by contrast, the much older type 45 power amplifier tetrode will only give an output of 1.6 watts for an input signal of 50 volts.

Audio Output Stage

There are several troubles that are associated with the audio output stage, the most common being; no or low output, poor audio quality, and distortion.
Assuming that all previous stages have been checked and are working properly, no output would indicate an inoperative output stage. Use the charts below for symptoms and possible causes.

Service Data Chart For Audio Output Stage
SymptomAbnormal readingPossible cause
No signal from the speakerPlate voltage = 0
Screen voltage=0
Trouble in power supply (see Trouble Shooting the Power Supply)
Plate voltage = 0
Screen voltage low
Shorted high AF by-pass capacitors C-12, C-112, or C-113
Plate voltage = 0
Screen voltage normal or high (screen grid glows red - glass tube)
Open primary winding of output transformer T6
Plate voltage normal or high
Screen voltage same as plate
Defective tube
Open cathode resistor R-13
All above check normalOpen secondary winding of output transformer T6
Open speaker voice coil
Poor tone quality and/or low output Plate voltage low
Screen voltage normal (large difference between plate and screen voltages)
Defective tube
Shorted cathode by-pass capacitor C-13
Open grid load resistor R-12
Shorted or leaky coupling capacitor C-32
Voltages normalOpen cathode by-pass capacitor C-13
Output transformer has been replaced with mismatched unit
All above check normalProblem may be in the speaker (rubbing voice coil, loose cone, ect.) See Speaker Repair and Electodynamic Dynamic Speakers under " Tips, Hints, and Kinks "
Squeal or oscillationVoltages normal Open output filter capacitor C-16 in the power supply
Open high AF by-pass capacitor C-12
MotorboatingOpen output filter capacitor C-16 in power supply (see Troubleshooting The Power Supply)
Open grid load resistor R-12

Typical Voltage Readings
Tube elementPin No.Voltage
Plate3235
Screen4250
Grid50
Cathode812.5
Grid with fixed bias512.5
Cathode with fixed bias80