Monitoring The Primary Current

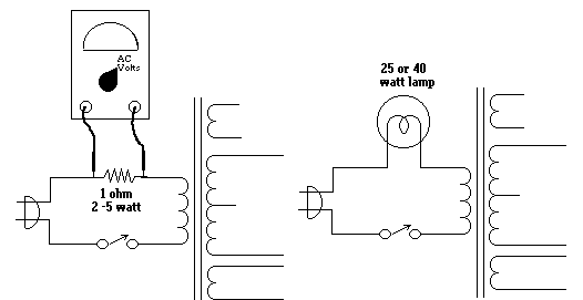
Two methods to monitor the transformer primary current are pictured above. In the first example, a 1 ohm 2-5 watt resistor is placed in series with the primary winding. A voltmeter, set to read AC volts on the 5 or 10 volt scale is hooked across the resistor. The current that flows in the primary winding will cause a voltage drop across the resistor that is directly related to the amount of current. A 1-amp current flow will drop 1 volt across the resistor, so the amount of current can be read on the voltage scale. A good transformer will show only a few milliampers of current in the primary. If when bringing the voltage up with the variable transformer, the current begins to rise rapidly above .5 to 1 amp (.5 to 1 volt on the meter), a short is indicated and no further testing should be done until the problem is resolved. In using this method to measure the primary current, do not plug the transformer directly into the AC line. If it is shorted and draws heavy current the voltmeter may be damaged and the resistor will become very hot almost immediately. Always use the variable transformer to bring the primary voltage up slowly.
In the second example, a 25 or 40 watt lamp is connected in the same manner as the resistor. The brightness of the lamp is use as an indicator of the primary current. The lamp will glow dimmly on a good transformer, or brightly if the transformer has a shorted winding.


Press the Back button on your browser to return to the previous page